股票杠杆要求-2025即将爆发的大牛股有哪些-【东方资本】,金宜盈app下载官网,怎样炒股开户流程,a股可以做t吗

ea.png ea-ph.png

艾利特EA63協作機器人

高性價比,高可靠性,高易用性,高靈活度

EA63
  • 亮點
  • 參數
  • 圖紙
  • 控制箱/示教器/示教軟件
  • 相關資源
  • 相關產品

EA63

  • b3icon1-594.svg
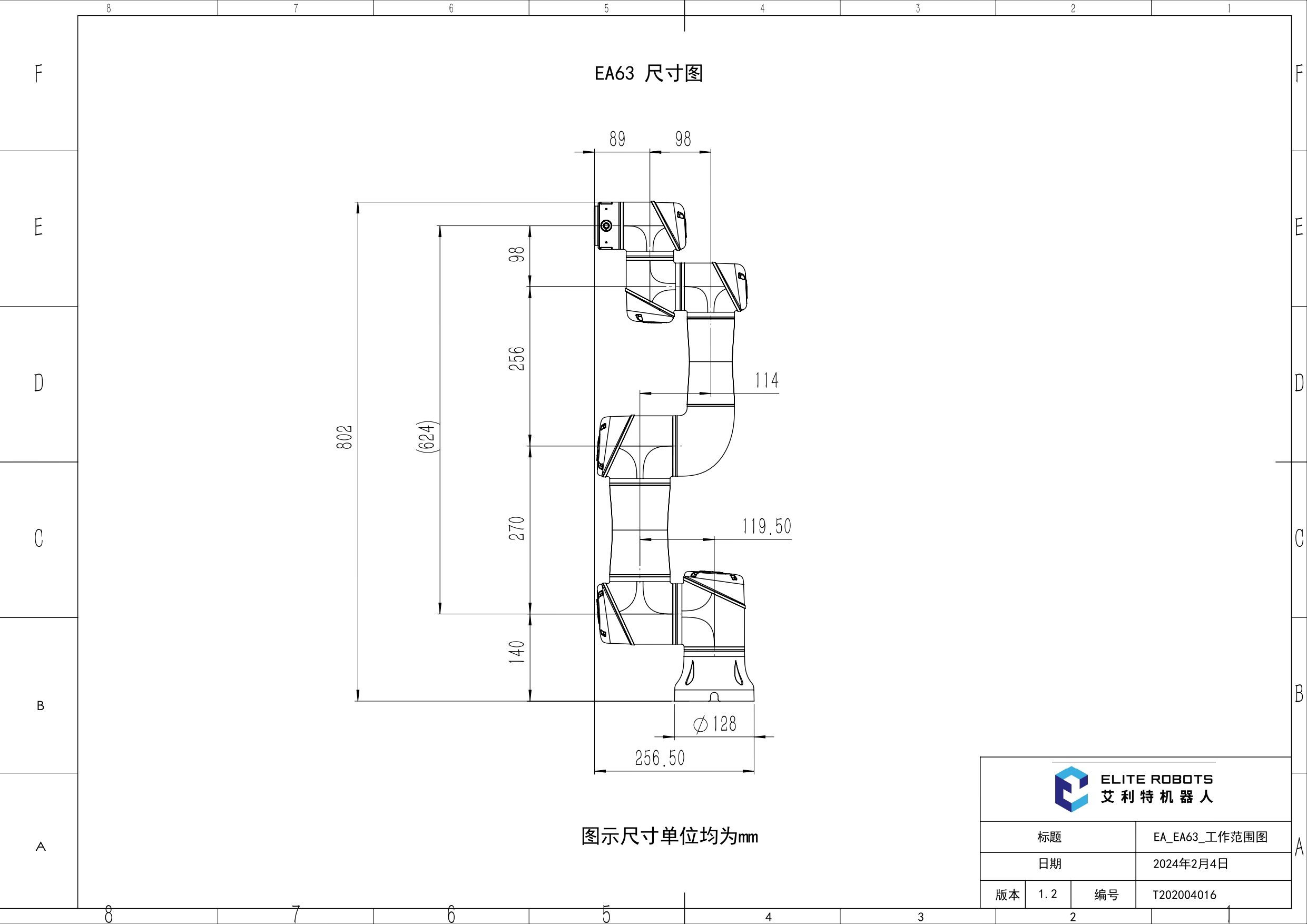
    624mm

    工作半徑

  • b3icon2-752.svg
    3kg

    負載

  • b3icon3.svg
    ±0.03mm

    重復定位精度

  • b3icon4.svg
    13Kg

    自重

產品參數

  • 技術參數
  • 關節參數
  • 物理參數
  • 配件型號
    • 名稱參數
      自由度6
      負載3kg
      工作半徑624mm
      重復定位精度±0.03mm
      典型功耗185W
      安裝方式任意角度
      工具I/O2xDI  2xDO 1xAI  1xAO
      工具I/O供電24V/2A
      工具通信RS485

    • 關節運動范圍關節最大速度
      基座±360°190°/s
      肩部±360°190°/s
      肘部±360°190°/s
      手腕1±360°260°/s
      手腕2±360°260°/s
      手腕3±360°260°/s
      最大工具速度2.0m/s2.0m/s
    • 名稱參數
      自重13kg
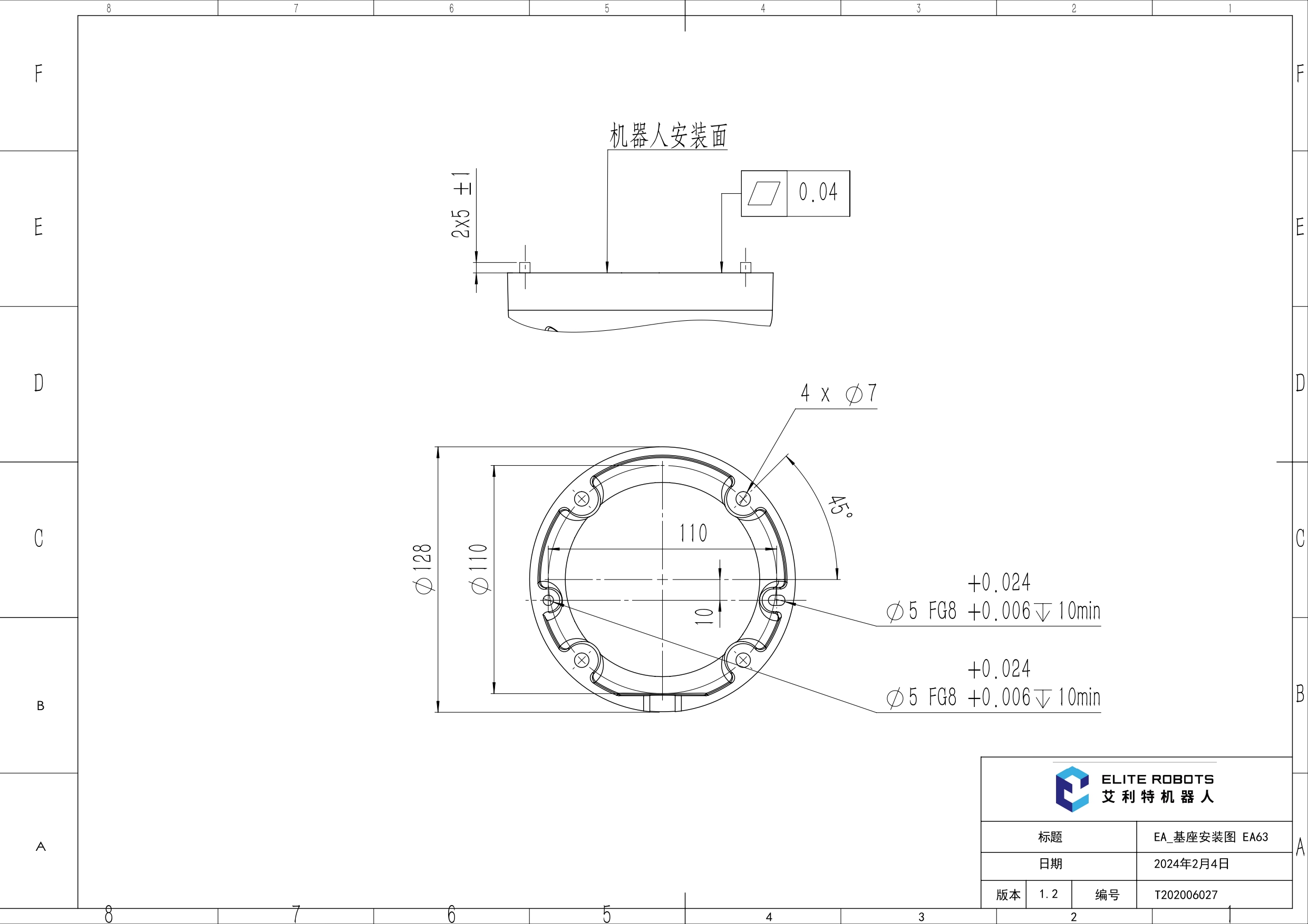
      底座直徑Φ128mm
      IP防護等級IP54
      工作環境溫度-10℃ ~ 50℃
      工作環境濕度90%相對濕度(非冷凝)
      材料鋁合金、鋼、塑料、橡膠
      標準線纜長度5.5m
    • 名稱參數
      控制箱ERB3E300
      MINI控制箱(選配)ERB1E2K0ME-48
      示教器(選配)ERP300
      示教軟件基于瀏覽器的圖形化示教軟件E-Wireless,可適用于手機、平板、電腦
EA63.png

產品圖紙

  • 外形尺寸圖
  • 工作范圍圖
  • 基座俯視圖
  • 控制箱

    ERB2E2K0-220/110 / ERB2E2K0-48/24 (標配)
    ERB1E2K0E-48 (選配)

    b1_img15.png
  • 示教器/示教軟件

    示教器/示教軟件

    b1_img16.png
download-669.svg comicon14.svg

電話咨詢

download-397.svg comicon15.svg

免費試用

Vector.svg Frame.svg

微信小程序

img1.jpg

微信小程序

準備好突破增長瓶頸,開啟智能制造了嗎?
了解我們的機器人如何幫助您的業務增長
歡迎下載艾利特機器人資料

我已閱讀并同意艾利特《隱私政策》《法律聲明》

我已知曉并同意艾利特通過電子郵件發送相關資料

提交